低压蒸汽供暖系统
的有关信息介绍如下:
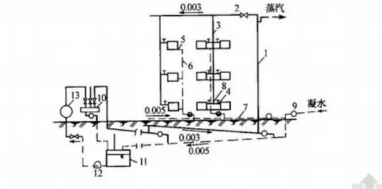
蒸汽供暖系统是以水蒸气作为热媒的供暖系统。供汽的表压力小于或等于70kPa时,称为低压蒸汽供暖。低压蒸汽供暖系统可分为重力回水式蒸汽供暖系统和压力回水式蒸汽供暖系统。
想要了解更多“低压蒸汽供暖系统”的信息,请点击:低压蒸汽供暖系统百科

蒸汽供暖系统是以水蒸气作为热媒的供暖系统。供汽的表压力小于或等于70kPa时,称为低压蒸汽供暖。低压蒸汽供暖系统可分为重力回水式蒸汽供暖系统和压力回水式蒸汽供暖系统。
想要了解更多“低压蒸汽供暖系统”的信息,请点击:低压蒸汽供暖系统百科