工艺管道和仪表流程图
的有关信息介绍如下:
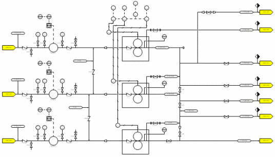
P&ID (Piping and Instrument Diagram)是工艺管道和仪表流程图的英文简称,指的是应根据工艺流程图(PFD :Process Flow Diagram)的要求,详细地表示该系统的全部设备、仪表、管道、阀门和其他有关公用工程系统的图纸。
想要了解更多“工艺管道和仪表流程图”的信息,请点击:工艺管道和仪表流程图百科

P&ID (Piping and Instrument Diagram)是工艺管道和仪表流程图的英文简称,指的是应根据工艺流程图(PFD :Process Flow Diagram)的要求,详细地表示该系统的全部设备、仪表、管道、阀门和其他有关公用工程系统的图纸。
想要了解更多“工艺管道和仪表流程图”的信息,请点击:工艺管道和仪表流程图百科